Boon's Portfolio

Automation & Robotics Engineer

Passionate about bridging the gap between system design and control.
GPA: 4.67  •  Credits: 154
Specializing in intuitive HMI interfaces, PLC (Siemens TIA Portal) logic, and
AutoCAD instrumentation layouts.

Skillset

A comprehensive technical toolkit bridging industrial hardware with modern software design.
My expertise spans from low-level PLC logic to high-level user interface design.

  • PLC & DCS: Siemens TIA Portal, Valmet DNA
  • HMI & UI Design: WinCC, SCADA, Figma
  • Engineering Design: AutoCAD, System Layouts
  • Programming: C# (Modbus TCP/IP), MATLAB
  • Data & Instr: LabVIEW, Sensor Acquisition
  • Robotics & Sim: Visual Components, AMRs, Cobots

Previous Projects

Water Process Project

Developed a closed-loop water control system using Siemens S7-1500 and TIA Portal V16.

  • Developed PLC logic (LAD) & HMI visualization.
  • Managed tank levels & pump sequencing.
  • Implemented PID flow control.
View More
Process 1 Interface
Process Control Implementation
Control room Interface
FBD Programming language
SCL Programming language

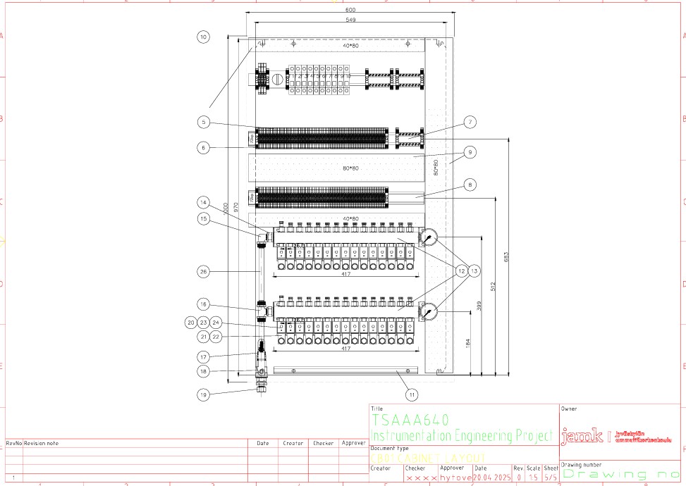
Industrial Instrumentation
using AutoCAD

Designed comprehensive technical documentation sets, including:

  • Name Plate & Document Lists
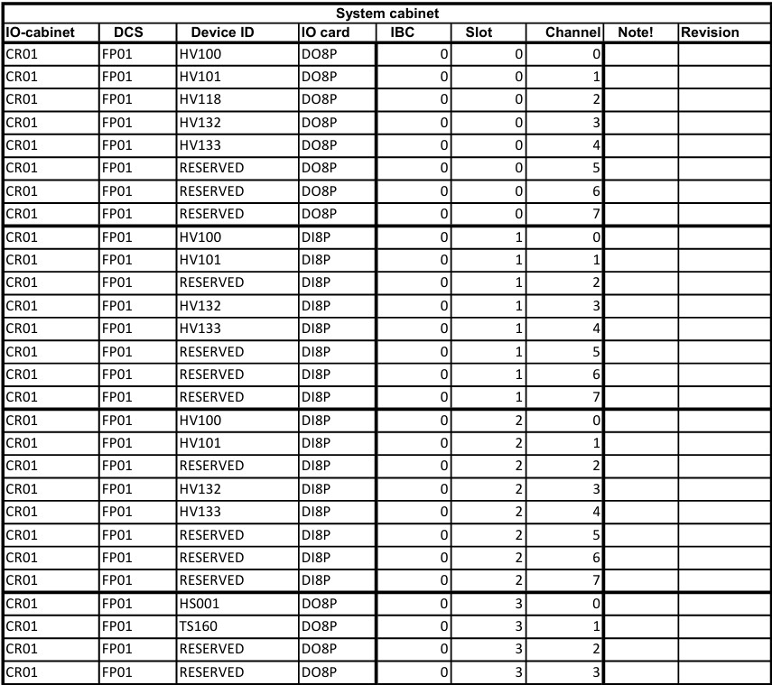
  • IO & Cross Connection Lists
  • Circuit Diagram Lists
View More
I/O Cabinet
I/O List (Excel)
Cross Connection List (Excel)

Modbus TCP/IP Client App

Developed a C# application to communicate with industrial devices via Modbus TCP.

  • TCP Client: Built socket connections to mock hardware.
  • Protocol Logic: Manually constructed PDUs for Function codes 0x03 & 0x06.
  • Data Processing: Parsed raw Hex/Byte responses into readable integers.

Contact Me